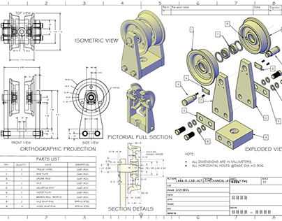
Assembly & Disassembly

Assembly & Disassembly SERVICE DETAILS

Assembly & Disassembly

Bharathi Engineering offers professional assembly and disassembly services, ensuring seamless integration of mechanical and electronic components. Our expertise includes handling complex assemblies with precision, adhering to industry standards, and maintaining the highest quality levels. We support industries that require accurate, efficient, and reliable assembly solutions.

From small mechanical assemblies to large industrial equipment, our team ensures each component is securely and correctly assembled. We also provide disassembly services for maintenance, upgrades, and repairs, ensuring the longevity and performance of critical machinery and systems.


Benefits of Our Assembly & Disassembly Services

  • Precision & Accuracy: Our team ensures all components are aligned, fitted, and assembled with exact specifications, reducing operational failures.
  • Cost & Time Efficiency: Professional assembly minimizes rework and waste, speeding up production and reducing costs.
  • Maintenance & Repair Support: Disassembly services allow easy maintenance, part replacement, and upgrades, extending the lifespan of machinery.
  • Industry Compliance: We adhere to strict quality and safety standards, ensuring compliance with industry regulations and enhancing reliability.
  • Custom Solutions: We tailor our assembly processes to meet unique project needs, whether for mass production or specialized equipment.